PRODUCT DESCRIPTION


Product Details

Galvanized tee is a kind of pipe connector, which is used to connect pipes in three directions. It is widely used in power plants, construction, chemical industry, municipal administration, drinking water sewage pipe connection and other fields. Its length can be customized according to demand, the common have up to several meters of specifications. Galvanizing treatment makes the tee more corrosion resistant and can be used for a long time in humid, acid and alkali environments. In addition, the galvanized tee is easy to install and easy to maintain, which can ensure the stability and safety of the pipeline system. Its length depends on the application scenario, if you need a specific length, the market also has a variety of specifications to choose from. In short, the galvanized tee plays an important role in the pipeline connection to ensure the smooth operation of the pipeline system.

Product Parameters

Product Name

Tee (equal diameter tee and reducing tee)

Product Brand

STEEL FITING

Executive standards

GB/T12459 、 ASME B16.9 、 ASMEMSSSP75

Material

A234WPB, WPC, P91, 15crMOV, SS304H, SS31603, 321H, etc

Specifications

DN10-2000mm to map custom

Use

Application of power plant, construction, chemical, municipal, drinking water sewage pipe connection

Technical parameters


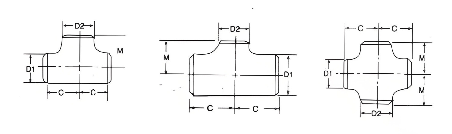
Tee, four-way (same diameter, reducing diameter) TEES AND CROSSES
male you diameter
Nominal Diameter
Outer diameter
Outside Diameter
Center to End
Center To end
male diameter
Nominal Diamclcr
Outer diameter
Outside Diameter
Center to Item Face
Center To end
mmInD1 × D2CMmmInD1 × D2CM
20 × 203/4 × 3/425x25
26.7 × 26.7
2929350 × 35014x14377 × 377
35S.6 × 35S.6
279279
20x1S3/4xl/225x20
26.7 × 21.3
2929
350 × 20014x8377 × 219
355.6 × 219.1
279248
25 × 251xl32 × 32
33.4 × 33.4
3838
400 × 40016x16426x426
405.4 × 406.4
305305
25 × 201 × 3/432 × 25
33.4 × 26.7
3838
400 × 25016 × 10426 × 273
406.4 × 273.1
30S283
32 × 321.1/4 × 1.1/438 × 38
42.2 × 42,2
4848
450 × 45018x18478x478
457x457
343343
32 × 251.1/4x138 × 32
42,2 × 33.4
4848
450 × 25018x10478x273
457 × 273.1
343308
40x401.1/2x1.1/245x45
48.3 × 48.3
5757
500 × 50020 × 20529 × 529
508 × 508
381381
40 × 251.1/2x145x32
48.3 × 33.4
5757
500 × 30020 x 12529x325
505 × 323.9
381346
50x502 x 257x57
60.3 × 60.3
6464
550 × 55022 × 22559 × 559419419
50x252x157 × 32
60.3 × 33.4
6451
550 × 40022 × 16559 × 406.4419381
65x652.1/2x2.1/276 × 76
73 × 73
7676600x60024 × 2A630 × 630
610 × 610
32432
65x402.1/2x1.1/276 × 45
73.0x48.3
7667600 × 40024x16630x426
610x406.4
432406
80 x 803 × 389x898686650x65026 × 26660x660495495
80x503 x 289x57
88.9x60.3
8676700 × 70028 × 28720 × 720
711 × 4064
521521
100x1004x4108x108
114.3 × 114.3
105105700x40028 × 16720 × 426
711 × 4064
521457
100 × 504 × 2108x57
114.3 × 60.3
10589
750 × 75030 x 30762 × 762559559
125 × 125Sx5133 × 133
141.3 × 141.3
124124750 × 50030 x 20762 × 50S559508
800x80032 × 32820x820
813 × 813
597597
125x805x3133 × 89
141.3 × 88.9
124111
800 × 50032 × 20820 × 529
813 × 508
597533
150x1506x6159x1S9
168.3 × 168.3
143143
850 × 85034 x 34864 × 864635635
150x1006xA159 × 108
168.3 × 114.3
143130
850x60034 × 2A864 × 610635584
200 × 2008 × 8219 × 219178178
900 × 90036 × 36920 × 920
914 × 914
673673
200 × 1008x4219 × 108
219.1 × 114.3
178156
900 × 50036 × 20920 × 829
914 × 508
673584
250 × 25010 × 10273 × 273216216
950 × 9S038 × 38965 × 96S711711
250 × 12510x5273 × 133
273.1 × 141.3
216191
950x60038 × 2A965 × 610711635
300 × 30012 × 12325 × 325
323.9 × 323.9
254254
100 × 100040 × 401020 × 1020
1016x1016
749749
300 × 20012 × 8325 × 219
323.9x219.1
254229
1100 × 70044 × 281120 × 720
1118 × 711
813698





1150 × 115046 × 461168 × 1168851800





1150 × 80046 × 321168 × 813851749





1200 × 120046 × 481220 × 1220
1219 × 1219
889838










1200 × 65048 × 261219 × 660889762
Note: The user has special requirements for the groove form, which can be processed according to the agreement reached between the user and the manufacturer.

CUSTOMER TESTIMONIALS

ONLINE CONSULTATION

SUBMIT